通過一個實例工程介紹了一種吸附及催化燃燒工藝及其在治理苯類有機廢氣方面的特點及優點;說明該工藝對苯類有機廢氣的治理很有效,并在實踐中取得了良好效果。
一、吸附劑、催化劑的選擇
1、吸附劑的選擇
根據吸附對象的不同,可選用的吸附劑有活性炭,浸漬活性炭,活性氧化鋁,浸漬活性氧化鋁,硅膠、分子篩,泥煤、褐煤、風化煤,浸漬泥煤、褐煤、風化煤,焦炭粉粒,白云石粉,蚯蚓類。
但用于工業的吸附劑應能滿足如下要求:
①比表面積和孔隙率大;
②吸附能力強;
③選擇性好;
④具有一定的顆粒度,較好的機械強度、化學穩定性和熱穩定性;使用壽命長,價格低廉,原料來源充足。
除了以上的要求外,還應考慮吸附質的性質、吸附質分子的大小、吸附質濃度,以及凈化要求、吸附劑來源等因素。
目前我司在治理某一苯類有機廢氣項目時,采用的是活性炭纖維和蜂窩狀活性炭共裝,以減少系統阻力,增大吸附容量。
2、催化劑的選擇
元素周期表中過渡族元素及第Ⅷ族元素中的貴金屬具有催化氧化的性能,它們及其氧化物常被用作催化燃燒催化劑的活性成分,例如鈦、釩、錳、鐵、鈷、鎳、銅、鋅的氧化物及鉑、鈀、釕等。目前國內催化劑可分為貴金屬催化劑、復合氧化物催化劑、稀土元素氧化物等三類。貴金屬催化劑起燃溫度低,資源稀少,價格昂貴,易中毒;復合氧化物催化劑降低了成本,清除效果也很好;稀土元素氧化物具有助催化作用,能提高催化活性及熱穩定性。
蜂窩載體是比較理想的載體型式,它具有很高的比表面。壓力降較片粒柱狀低,機械強度大,耐磨,耐熱沖擊。
催化燃燒催化劑會發生中毒現象。為防止催化劑中毒,可在廢氣進入反應器前設廢氣預處理裝置,清除廢氣中粉塵和毒物,并定期進行再生和清洗等。
3、吸附催化燃燒工藝
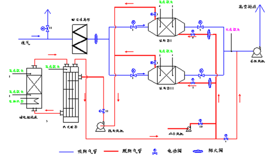
以我公司某一采取固定床進行吸附催化燃燒的凈化工程為例:
從噴涂車間來的含有漆霧、有機溶劑的廢氣,首先進入凈化系統的預過濾器,進一步除去漆霧。除去漆霧后的有機廢氣,進入1#活性炭吸附床,利用活性炭將有機廢氣吸附下來。吸附可使有機廢氣凈化效率高達95%以上,經吸附凈化的廢氣可直接排放。
當設置于活性炭吸附床出口管內的有機廢氣濃度監測裝置顯示,有機廢氣濃度即將超標時,2#活性炭吸附床自動開啟,對廢氣進行吸附;而1#活性炭吸附床廢氣進出伐門關閉,而脫附進出口伐門自動開啟,轉入有機廢氣脫附過程。此時,脫附風機、催化燃燒床內的電加熱器同步開啟。脫附氣在活性炭吸附床、脫附風機、熱交換器、催化燃燒床等設備間管道內閉路循環。通過控制脫附過程流量,將有機廢氣濃度濃縮10-20倍。脫附氣體經催化床內設的電加熱裝置加熱至300℃左右時,在催化劑作用下起燃。催化燃燒過程凈化效率可達97%以上。燃燒后生成CO2和H2O并釋放出大量熱量,熱量可通過熱交換器回收,用來預熱進催化燃燒床的脫附氣。一般達到脫附~催化燃燒自平衡過程須啟動電加熱器1~2小時左右,達到熱平衡后可關閉電加熱裝置。此后,催化燃燒系統就靠廢氣中有機溶劑燃燒時產生的熱能,在無須外加能源基礎上使催化燃燒達到自平衡。當脫附氣中的有機氣體燃燒完畢后,其催化燃燒床溫度會逐漸下降至200℃左右,即可視為催化燃燒過程結束,系統仃止運行。
整套吸附和催化燃燒過程由PLC實現自動控制,系統內裝有阻火伐、濃度監測儀、煙火噴滅裝置等。為了防止活性炭吸附床溫度過高發生自燃,補充催化燃燒所需要的空氣,系統內裝有補冷風機。
考慮到凈化系統需要維修,在漆霧預過濾口器前加裝有旁路排空管路。
凈化工藝流程圖如下:

4、凈化工藝特點
與普通的吸附催化燃燒凈化有機廢氣工藝相比,本工藝中有幾個新特點,可確保系統運行安全和廢氣達標排放。
4.1、保證車間生產能正常進行。
在漆霧過濾器前,加裝一安有電動風閥的放空旁路。在凈化設備正常運行時,該風閥關閉;當凈化設備需維修時,該風閥自動開啟,不會因凈化系統故障而影響車間的正常生產;
4.2、系統運行費用節省。
吸附材料采用蜂窩狀活性炭和活性炭纖維兩種材料,并將活性炭纖維置于蜂窩狀活性炭前。利用活性炭纖維吸附容量大、阻力小和吸附速度、脫附速度快的特點,以減小系統運行阻力,縮短脫附時間,節省運行費用,攔截透過漆霧過濾器的微小顆粒,防止污染蜂窩活性炭吸附材料,降低吸附材料的更換費用;
4.3、系統吸附功能得到最大程度的發揮。
在吸附床出口管內設置有機廢氣濃度監測裝置,當廢氣出口濃度因吸附床達到飽和即將超標排放時,指示吸附床自動進行切換,確保廢氣達標排放,以充分發揮吸附材料的吸附功能,避免脫附時間的盲目性;
4.4、系統運行更有安全保障。
一是在吸附床前、后,脫附風機后,催化燃燒床前、后等處加裝有阻火閥,防止燃燒火焰回串;二是在吸附床內、催化燃燒床內設有煙火探頭和噴淋系統,確保系統安全運行;三是在脫附床、催化燃燒床等處設置高溫熱電偶,及時反應出各床溫度。
5、運行期經濟性能
運行期內的經濟性能是工藝選型的重要一環。除了盡可能增長吸附時間,縮短催化燃燒時間,減少電加熱器的啟用次數;選擇相匹配的動力;增強系統的預處理能力,在確保達標排放的前提下延長活性炭、催化劑的使用壽命外,充分利用催化燃燒過程中產生的大量熱量尤其重要。為此,我司在系統中增添了浮頭式換熱器,熱回收率在70%以下,將其熱量用于回收加熱進入催化燃燒床的脫附氣體,以減少輔助燃料的消耗。
6、系統的安全生產
任何可燃物與氧或空氣的混合物都有兩種臨界組成,即爆炸下限和爆炸上限。從理論上講,在這兩個極限之間的混合氣體是可燃的或爆炸性的,因為當一定濃度范圍內的氧和可燃組分混合物被點著后,在有控制的條件下就形成火焰,維持燃燒,而在一個有限的空間內無控制地迅速發展則會形成爆炸。因此,嚴格控制可燃物濃度和氧氣含量極為重要。由于各種碳氫化合物在空氣中爆炸濃度下限時,其燃燒的熱值及燃燒時的升溫大致相同,因而常將可燃物濃度與熱值、溫升聯系起來,把可燃物濃度用爆炸濃度下限的百分數來表示,為1%LEL(LowerExpsiveLimit)。大多數碳氫化合物每1%LEL所含熱值,大約可以使混合氣體溫升15.3℃。為安全計,通常將可燃物濃度沖淡在爆炸濃度下限以下燃燒 ,即將廢氣中可燃物濃度控制在25% LEL以下,以防止由于混合物比例及爆炸范圍的偶然變化,可能引起的爆炸或回火。為此,我司在系統中的脫附風機、補冷風機進口,均裝有新鮮空氣進口管道。

400-1816-011